站内公告:
分类栏目
联系我们CONTACT
当前位置: 首页 > 产品展示 > 科爱KEAIR气动类产品 > 超级气刀 > 超级气刀风刀
2020-04-13 14:37 点击量:43878
科爱 (KEAIR) 超级气刀系列产品包括强力楔型风刀 (air knife),标准风刀,超级风刀,超级气刀, 不锈钢气刀,条形气刀以及环形气刀,主要用于干燥,除水,除尘,吹气冷却等。科爱 (KEAIR) 气刀系列 产品是目前世界上质量最可靠,性价比最高的产品,其产品在国内外各大企业大量使用。
科爱 (KEAIR) 超级气刀原理: 压缩空气经进气口 (1) 进入气刀高压腔,气流通过狭窄,细薄的喷嘴 (2) 后在气刀长度方向就形成一 张均衡的气流薄片。由于腔室 (3) 对高压气流的压缩比为 40:1,使得气流速度损失最小,而压力最大,于 是就产生一张具有强冲击力而最小剪切力的气流薄片。
传统吹气应用产品有诸多弊端,如:吹出的气流不均匀;压缩空气消耗量非常大;虽然具备强劲的冲击力, 但噪音水平过高,严重影响现场操作人员的健康;以电能为动力的吹气产品又往往需要经常维护,并且使用寿命短等问题。
科爱 (KEAIR) 风刀的作用是形成高强度冲击气流,应用于风刀除水,风刀吹气,风刀除尘,风刀清洁, 风刀干燥,冷却降温等场合。具有效率高,噪音低,耗气量少等特点。
科爱(KEAIR)气刀又称风刀,风幕、气帘,压缩 空气进入气刀后,科爱(KEAIR)气刀通过0.05-0.08mm 左右的气隙,以一面气流薄片高速吹出。这股初级气 幕可引流40-50倍的环境空气,而形成一面薄薄的高强 度、大气流的冲击气幕。通过科爱KEAIR气刀得到的 高强度冲击气流,可应用于清洁、干燥、冷却等场 合。科爱(KEAIR)气刀具有噪音低、耗气量少、冲击 力强等优点,可替代传统的吹气类产品和电能吹气类 产品,解决大耗气量、高噪音、维护困难及使用寿命短等问题。

科爱超级气刀特点>>
◆ 低噪音,<75分贝
◆ 节能,耗气量较常规钻孔管气帘节约70%
◆ 气流均衡,空气压缩比可达40:1
◆ 无活动件,材质为铝或不锈钢
◆ 体积小,便于安装,免维护
◆ 提供多种规格的气帘宽度(50-2000mm)
◆ 可代替传统的风机和吹气管
◆ 可为客户定制各种非标尺寸

科爱超级气刀典型应用>>
◆ 吹扫表面残留液体
◆ 机加工零件表面除液干燥
◆ 自动化生产线定位部位清洁吹扫屑
◆ 饮料流水线吹扫除液
◆ 蔬菜、水果包装前表面干燥
◆ 电镀零件表面除液
◆ 线路板表面除液干燥
◆ 气体隔绝
◆ 机床精密部位吹扫
科爱超级气刀技术参数:
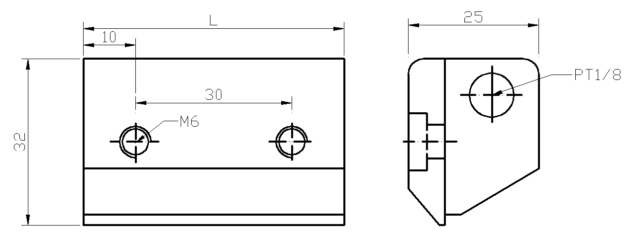
小型超级气刀尺寸规格型号:

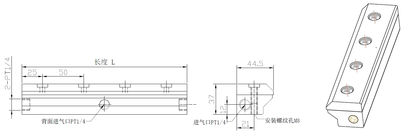
标准型超级气刀尺寸规格型号:


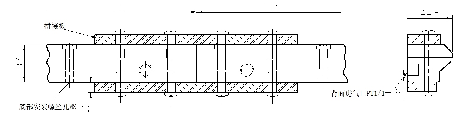
加长型气刀的拼接方式:
如客户工作区域较大,可使用将两把气刀拼接在一起的方式将气刀加长,我们将免费提供拼接板和相关配 件,拼接的螺丝为长度 35 的 M8 螺丝。
加长型超级气刀尺寸规格型号:


常见问题处理
1、气刀的流量和吹扫力下降时,常见的问题有:压缩空气管径过小,气路安装限流,过滤器堵塞等。
2、如果客户无法解决气刀性能降低的问题,请随时与我们联系,必要时请送我司检测。
超级气刀固定方式: 常用的安装方式见下图,横梁式安装,立式安装。
气管连接方式:
1、气刀进气口分布在背部和气刀的两端,请根据实际的安装位置和空间选择进气方式。
2、进气管尽量选择大管,特别是在气刀长度超过 400mm 长,一定要确保供气充足。
3、当多个进气口进气时,由于气管直径和空气过滤器的内部直径过小会产生限流,因此各个进气管要从 主管路直接供气。

注意事项:
1、300mm 以上的超级气刀必须要两个以上的进气口进气,否则影响气刀效果;
2、超级气刀除液吹扫距离应在 20mm 到 60mm 之间,否则将降低吹扫效果;
3、应使用空气过滤器,确保气体干燥;
4、所有的过滤器与目标距离应控制在 5 米内;
5、接气管时,气刀里不能进入异物。
6、应选择 5 微米级自动排水空气过滤器。
7、压缩空气压力应在 0.5-0.7Mpa 为气刀最佳工作状态。